နေအိမ်> ထုတ်ကုန်များ> PSA ဟိုက်ဒရိုဂျင်မီးစက်> PSA နည်းပညာဖြင့်ဟိုက်ဒရိုဂျင်သန့်စင်ခြင်း
PSA နည်းပညာဖြင့်ဟိုက်ဒရိုဂျင်သန့်စင်ခြင်း

PSA နည်းပညာဖြင့်ဟိုက်ဒရိုဂျင်သန့်စင်ခြင်း

  • ငွေပေးချေမှုရမည့်အမျိုးအစား: L/C,T/T
  • မင်: FOB,CFR,CIF,EXW
  • min ။ အမိန့်: 1 Set/Sets
  • ဆိပ်ကမ်း: Shanghai China
Get Latest Price
    PRODUCT ATTRIBUTES
    Overview
    ကုန်ပစ္စည်း Attributes

    Place Of OriginJiangsu, China

    TypeGas purification devices

    Product TypeMachinery

    ConditionNew

    Brand NameXinrui

    Model NumberXRFQ-39-50

    VoltageCan be customized

    Power500W

    Weight1200KG

    Dimension(L*W*H)non-standard products

    Warranty1 Year

    After-sales Service ProvidedEngineers Available To Service Machinery Overseas

    လက်မှတ်ပေးခြင်းCE,ISO9001:2008

    Flow Rate50-1000Nm3/hr

    N2 Purity99%-99.99%

    Colorsilver, grey, bule (depends on customers' needs)

    ထုပ်ပိုးခြင်းနှင့်ဖြန့်ဝေခြင်း
    ယူနစ်ရောင်းချခြင်း: Set/Sets
    အမျိုးအစား: SeaWorthy ထုပ်ပိုး
    Overview
    ထောက်ပံ့ရေးစွမ်းရည် & အပိုဆောင်းသတင်းအချက်အလက်

    ထုပ်ပိုးSeaWorthy ထုပ်ပိုး

    Supply နိုင်ခြင်း15 Set/Sets per Month

    ဆိပ်ကမ်းShanghai China

    ငွေပေးချေမှုရမည့်အမျိုးအစားL/C,T/T

    မင်FOB,CFR,CIF,EXW

    ကုန်ပစ္စည်းအကြောင်းအရာ

    ဖိအားပေးသည့် AdSoriss နည်းပညာဖြင့်ဟိုက်ဒရိုဂျင်သန့်စင်ခြင်း

    ဖိအားပေးသည့် AdSoriss နည်းပညာဖြင့်ဟိုက်ဒရိုဂျင်သန့်စင်ခြင်း

    အဓိကနည်းပညာဆိုင်ရာအသေးစိတ်အချက်အလက်များ
    သဘာဝဓာတ်ငွေ့ကုသမှု: (10-500) NM3 / H
    စုပ်ယူနိုင်သောဖိအား: 0.8mpa-2.4mpa
    H2 သန့်ရှင်းရေး: 99% -99.99%
    Dew Point: -60ºc

     

    Model

    Capacity

    (Nm³/h)

    Feed Gas

    Product gas:nitrogen gas

    Gas source

    Pressure

    (Mpa)

    Dew point

    ()

    Dew point

    (℃)

     Purity

    (%)

    Pressure

    (Mpa)

    Temperature

    XRFQ29

     

     

    5-3000

    Mixed gas of hydrogen and nitrogen from ammonia decomposition and methanol cracking 

     

     

    0.8-2.4

     

     

    -60

     

     

    -60

    99

     

     

    0.7-2.3

     

     

    Ambient temperature

    XRFQ39

    99.9

    XRFQ49

    99.99

    XRFQ59

    99.9999



    PSA ဟိုက်ဒရိုဂျင်မီးစက်၏နိယာမ

    syndrogen ရှိဓာတ်ငွေ့အရင်းအမြစ်ရှိဓာတ်ငွေ့အရင်းအမြစ်ဖြစ်သောဓာတ်ငွေ့အရင်းအမြစ်များကိုပေါင်းစပ်ထားသောဓာတ်ငွေ့အရင်းအမြစ်များကဲ့သို့သောမရှိတော့သည့် carbour sieve ရှိမစင်ကြယ်သောအစိတ်အပိုင်းများနှင့်ပေါင်းစပ်ထားသော carben sieve နှင့် alumina generator များကဲ့သို့များစွာသောစုပ်ယူနိုင်သောပစ္စည်းများစွာဖြင့်ဖွဲ့စည်းထားသော Adsorption Bed ကိုအားသာချက်ယူပါ အမိုးနီးယားရေကူးကန်, ရေနံချက်စက်ရုံတွင်ရေနံချက်စက်ရုံတွင်ခြောက်သွေ့သောဓာတ်ငွေ့ခြောက်သွေ့သောဓာတ်ငွေ့ကိုအက်ကွဲသောဓာတ်ငွေ့များ, ဖိအားပေးသောဓာတ်ငွေ့များနှင့်ရေဓာတ်ငွေ့ကိုဖိအားပေးနေစဉ်အတွင်းဒက်စီရိုဂျင်သည်ကုန်ပစ္စည်းသဘာဝဓာတ်ငွေ့၏ 0 င်မှုအနေဖြင့်ထုတ်လွှင့်သည်။ ထို့ကြောင့်ဟိုက်ဒရိုဂျင်သန့်စင်ခြင်းကိုသဘောပေါက်သည်။


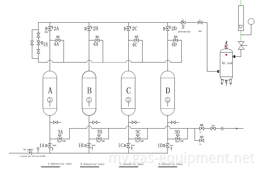
    စီးဆင်းမှုဇယား

    ဖိအားပေးသည့် AdSoriss နည်းပညာဖြင့်ဟိုက်ဒရိုဂျင်သန့်စင်ခြင်း


    ပေးပို့အသေးစိတ်:
    ထုပ်ပိုးအသေးစိတ်: စံတင်ပို့ထုပ်ပိုး
    ပေးပို့အသေးစိတ် - အပ်ငွေလက်ခံရရှိပြီးနောက် 60-90 ရက်အတွင်း

     

    The file is encrypted. Please fill in the following information to continue accessing it

    GET IN TOUCH
    If you have any questions our products or services,feel free to reach out to us.Provide unique experiences for everyone involved with a brand. We've got preferential price and best-quality products for you.
    Please fill in the information
    Please fill in your e-mail
    Please fill in the content
    နေအိမ်> ထုတ်ကုန်များ> PSA ဟိုက်ဒရိုဂျင်မီးစက်> PSA နည်းပညာဖြင့်ဟိုက်ဒရိုဂျင်သန့်စင်ခြင်း

    ထိတှေ့

    • လျ: 86-512-65865622
    • မိုဘိုင်းဖုန်း: 18501506352
    • အီးမေးလ်ပို့ရန်: 18501506352@163.com
    • လိပ်စာ: Building 7, Liando U Valley, No. 25 Datong Road, High tech Zone,Suzhou,Jiangsuzhou China

    စုံစမ်းစစ်ဆေးရေး Send

    စုံစမ်းစစ်ဆေးရေး Send
    *
    *

    ငါတို့သည်သင်တို့ကိုချက်ချင်းဆက်သွယ်ပါလိမ့်မယ်

    ပိုမိုမြန်ဆန်စွာဆက်သွယ်နိုင်အောင်ပိုမိုသောအချက်အလက်များကိုဖြည့်ပါ

    Privacy ထုတ်ပြန်ချက် - သင်၏ privacy သည်ကျွန်ုပ်တို့အတွက်အလွန်အရေးကြီးသည်။ သင်၏ကုမ္ပဏီ၏ကိုယ်ရေးကိုယ်တာအချက်အလက်များကိုသင်၏ရှင်းလင်းပြတ်သားသောခွင့်ပြုချက်များနှင့်အတူမည်သည့်ထုတ်ဖော်ပြောဆိုမှုကိုမထုတ်ဖော်ရန်ကတိပေးသည်။

    ပေးပို့